+375 29 2766270
+375 29 9844379
Telegram
WhatsApp
Напишите нам
callback_icon
Обратный звонок
Меню
О студии
Услуги студии
Контакты
Отзывы
Документы
Статьи о инженерном деле
Галерея работ
Цифровые товары
FAQ
0
Корзина
Корзина пуста
Вернуться к покупкам
Корзина пуста
Вернуться к покупкам
Примеры оформления конструкторской документации в САПР
Чертеж решетка , выполнен в программе FreeCAD
Чертёж груз балансировочный, выполнен в программе FreeCAD
Чертеж детали Клин, , выполнен в программе FreeCAD
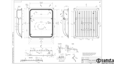
Чертеж детали корпус прожектора, выполнен в программе FreeCAD
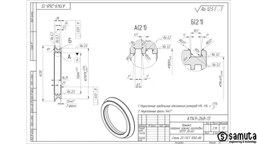
Крышка патрона зажима заготовки. Технический чертеж построен на основе стандарта ГОСТ 2.109-73 ЕСКД.
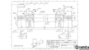
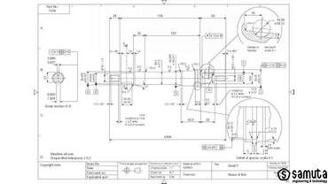
Технический чертеж построен на основе японского стандарта JIS Япония
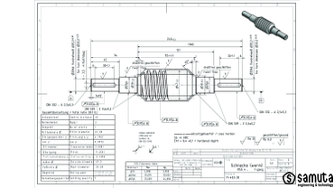
Технический чертеж построен на основе немецкого стандарта DIN.
Технический чертеж построен на основе британского стандарта BS 8888.
Технический чертеж построен на основе международного стандарта ISO.
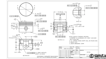
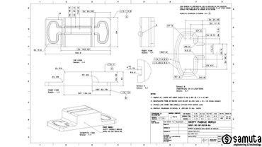
Технический чертеж построен на основе американского стандарта (ASME) серии Y14.
Технический чертеж построен на основе китайского стандарта GB
Корпус. Технический чертеж построен на основе стандарта ГОСТ 2.109-73 ЕСКД.
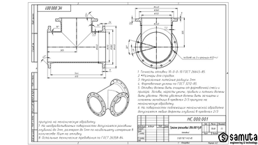
Тройник фланцевый. Технический чертеж построен на основе стандарта ГОСТ 2.109-73 ЕСКД.
Корпус. Технический чертеж построен на основе стандарта ГОСТ 2.109-73 ЕСКД.
Корпус. Технический чертеж построен на основе стандарта ГОСТ 2.109-73 ЕСКД.
Зубчатое колесо. Шестерня. Технический чертеж построен на основе стандарта ГОСТ 2.109-73 ЕСКД.
Крышка. Технический чертеж построен на основе стандарта ГОСТ 2.109-73 ЕСКД.
Звездочка. Технический чертеж построен на основе стандарта ГОСТ 2.109-73 ЕСКД.
Фланец нижний. Технический чертеж построен на основе стандарта ГОСТ 2.109-73 ЕСКД.
Корпус. Технический чертеж построен на основе стандарта ГОСТ 2.109-73 ЕСКД.
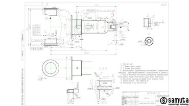
Вилка. Технический чертеж построен на основе стандарта ГОСТ 2.109-73 ЕСКД.
Вставка. Корпус. Технический чертеж построен на основе стандарта ГОСТ 2.109-73 ЕСКД.
Удалить товар
Вы точно хотите удалить выбранный товар? Отменить данное действие будет невозможно.
Копировать ссылку
Отправить на E-mail
MAX
Telegram
WhatsApp
ВКонтакте
Одноклассники
Удалить