Предлагаем вам услуги по расчету и проектированию элементов механических передач включая чертежи шестерни, звездочки и др. Наша компания обладает большим практическим опытом в области механической передачи и имеет в своем штате высококвалифицированных специалистов.
Механические передачи составляют основу всех технических систем
Механические передачи известны со времен зарождения техники, прошли вместе с ней длительный путь развития и совершенствования и имеют сейчас очень широкое распространение. Они представляют собой составную систему, которая позволяет передавать мощность и движение от одного механизма к другому. Механические передачи используются практически во всех отраслях, включая автомобильную, авиационную, морскую, промышленную и даже в бытовых приборах. Часы, велосипеды, автомобили и сверхмощные промышленные машины всё имеет в своей конструкции механические передачи. Нет никаких сомнений в том, что передачи играют огромную роль в нашей повседневной жизни.
Все больше расширяется диапазон исследований механики, она «вклинивается» в биологию, геометрию, другие естественные науки, в искусство, позволяет успешно решать инженерные задачи, вооружает инженеров научной основой для их плодотворной деятельности. Они составляют основу всех технических систем и устройств, в которых используются различные виды механизмов. Механические передачи являются одним из наиболее распространенных видов технических устройств и находят применение во всех отраслях промышленности, сельского хозяйства, транспорта.
Только представьте, все, чем мы с вами сегодня пользуемся был произведено на производственных линиях, в конструкции которых обязательно есть механические передачи, шестерни. Каждый тип механической передачи имеет свои особенности и преимущества, которые делают его подходящим для различных применений.
Механическими передачами, или просто передачами, называют механизмы для передачи энергии от машины-двигателя к машине-исполнительному механизму, как правило, с преобразованием скоростей, моментов, а иногда — с преобразованием видов (например, вращательное в поступательное) и законов движения.
Передача (в механике) соединяет вал источника энергии - двигателя и валы потребителей энергии - рабочих органов машины, таких, например, как шпиндель токарного станка, ведущие колёса гусеничной техники или привод автомобиля. Целью механических передач является преобразование и передача мощности и движения между двумя механизмами. Они могут использоваться для передачи различных типов энергии, включая механическую, электрическую, тепловую и другие. Они могут быть применены в различных областях, таких как автомобильная, авиационная, морская, промышленная и другие.
Механические передачи могут быть использованы для увеличения мощности или скорости механизма. Они также могут быть использованы для изменения направления движения или поворота механизма. Это делает их очень полезными для многих применений. Шестерни, цепные звездочки, муфты являются ключевым компонентом в широком спектре устройств управления движением, а также в механических и электромеханических трансмиссиях. Грамотная эксплуатация механических передач требует знания основ и особенностей их проектирования и методов расчетов.
Готовы поработать над тем, чтобы каждый компонент обеспечивал наилучшие результаты в ваших приводах и механических трансмиссиях.
Проектирование, расчет на заказ следующих элементов механических передач:
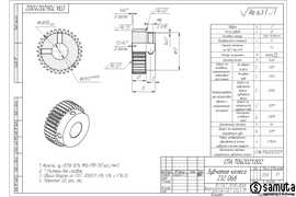
- шестерни цилиндрические с внешним и внутренним зацеплением;
- шестерни цилиндрические винтовых эвольвентных передач;
- зубчатые рейки;
- шестерни конические с прямым зубом;
- конической передачи с круговыми зубьями;
- гипоидной передачи;
- конической передачи с тангенциальными зубьями;
- червячной глобоидной передачи;
- ортогональной передачи «Цилиндрический червяк-Цилиндрическое косозубое колесо»;
- планетарной передачи Джеймса с одновенцовыми сателлитами;
- цилиндрической передачи внешнего зацепления с арочными зубьями;
- цилиндрической передачи Новикова внешнего зацепления;
- плоскоцилиндрической (коронной) зубчатой передачи;
- зубчаторемённой передачи;
- зубчатой соединительной муфты;
- цевочной передачи;
- червячно-реечной передачи;
- шкивы клиноременных передач;
- звездочки приводных роликовых цепей;
- червяки и червячные колёса (цилиндрическая червячная передача);
- зубчатые глухие муфты.
Проектирование передач инженерами осуществляется не только в соответствии с отечественной нормативной базой (ГОСТ, ОСТ), но и по стандартам других стран (AGMA, ASA, DIN, ISO, JIS, GBT). Применение зарубежных стандартов при проектировании механических передач расширяет возможности по ремонту импортных узлов и агрегатов, при этом способствует сокращению сроков и снижению цены ремонта сложного технологического оборудования.
Основные параметры механической передачи: передаточное число, диапазон изменения передаточного числа, КПД, частота вращения, момент на валу.
Следует отметить, что механические передачи являются неотъемлемой частью большинства технических систем и играют важную роль в преобразовании энергии. Они могут быть использованы в различных отраслях и применениях для передачи мощности и движения.
Процесс создания чертежа механической передачи по образцу:
1. Замер деталей: Первым делом, берем в руки рулетку, штангенциркуль и другие инструменты для точного замера геометрических параметров детали. Важно все измерить с максимально возможной точностью, ведь от этого зависит точность будущего чертежа.
2. 3D моделирование: После того, как все замеры сделаны, строим 3D модель детали в специализированном программном обеспечении. В случае, если изделие состоит из нескольких деталей, на этом этапе важно проверить их собираемость.
3. Создание чертежа: На основании 3D модели создаем чертеж. Здесь важно помнить, что чертеж должен быть тесно связан с 3D моделью, чтобы любые изменения в модели автоматически отображались на чертеже.
Стоимость работ:
Поскольку трудоемкость работ зависит от сложности конструкции детали или изделия, а также от количества деталей в нем, то стоимость каждого проекта рассчитывается индивидуально. Рекомендую, чтобы быстро получить оценку стоимости, отправить нам фото, видео или эскиз детали или изделия.
Я пока не знаю какая механическая передача мне нужна. Есть ли смысл обращаться к вам?
Конечно. Расскажите о своей теме, предоставьте эскизы или образцы конкурента. Какой вы хотели бы видеть выполненную работу? Мы предложим несколько пакетов решений и поможем выбрать оптимальный. Так, совместными усилиями вы быстрее получите эффективный набор чертежей и других документов для изготовления изделия.
Если вы заинтересованы в наших услугах расчета и проектирования механических передач в САПР, пожалуйста, свяжитесь с нами для получения дополнительной информации.
Полный комплекс услуг:
Кроме создания чертежей механических передач, предлагаем полный цикл работ, включающий в себя:
- Выезд специалиста на объект для проведения замеров и оценки объема работ.
- Анализ существующих аналогов, разработка технического задания.
- Проведение необходимых расчётов и моделирование детали или изделия в 3D.
- Разработка конструкторской документации согласно ГОСТ и ЕСКД, оформление чертежей деталей и узлов.
- Создание эксплуатационных документов, таких как паспорт, руководство по эксплуатации, инструкции.
- Доработка и усовершенствование имеющихся узлов и изделий.
- Запуск изделия в производство, адаптация документации и консультации по производству.
Также, выполняем чертежи отдельных деталей и узлов конструкций. Работаем с различными программами: AutoCAD, Компас, SolidWorks. Переводим чертежи из одного формата в другой. Срок выполнения заказа зависит от объема работ и может составить от одного дня.
Свяжитесь с нами:
Свяжитесь с нами по почте или через мессенджеры и пришлите нам информацию о вашем заказе!
