Запуск нового изделия в производство или модернизация — критический этап, сопряженный с рисками. Некорректно оформленный комплект КД — не просто ошибка, а прямая причина срыва сроков, брака на производстве и проблем с сертификацией.
Предлагается не «разработка чертежей», а создание полного, готового к производству цифрового и документального "двойника" изделия, гарантирующего бесшовный переход от идеи к серийному выпуску.
Вы ищете профессиональную конструкторскую разработку для вашего проекта? Тогда вы попали по адресу! Предлагаем услуги заказа конструкторской разработки, которая отвечает вашим требованиям и ожиданиям. Вы можете заказать чертежи в программе AutoCAD, в Компасе или в другом CAD-программном обеспечении. Также у нас есть возможность выполнить срочные заказы, если вам нужны чертежи как можно быстрее, в том числе изготовление разверток, схем и многое другое.
Предлагаем вам профессиональное выполнение рабочих чертежей деталей в составе конструкторской документации с высоким качеством и доступными ценами.Создадим детальные графические чертежи и текстовые описания, спецификации, которые полностью раскроют состав и принцип строения вашего изделия. Описания будут включать также все важные свойства и аспекты его использования, начиная от стадии разработки и эксплуатации до ремонтопригодности и утилизации.
Учтем все ваши требования и предоставим вам полный пакет необходимых документов.
Доверьте разработку конструкторской документации нашей компании и получите высококлассный результат, который полностью соответствует вашим ожиданиям и требованиям.
Разработка КД с гарантией прохождения ОТК. Опыт 15 лет и 600+ проектов для БелАЗа и энергетики — ваша страховка от брака и срыва сроков.
Изготовление рабочих чертежей деталей является первым этапом в налаживании любого производства. Промышленность, производство, машиностроение и приборостроение — это области, которые требуют высокой точности и достоверности рабочих чертежей.
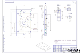
Чертеж является документом, который имеет страничную ориентацию и создается на листах согласно форматам, определенным в ГОСТ 2.301. Он также содержит информацию о масштабе и предназначен для использования при изготовлении, сборке, монтаже и контроле изделия. Чертеж может быть выполнен как в бумажной, так и в электронной форме.
Зачем необходима конструкторская докумеентация на производстве?
Рабочие чертежи позволяют определить технические и эксплуатационные характеристики детали.Без наличия такой документации невозможно начать процесс изготовления нового изделия. Назначение машиностроительного чертежа хранить и передавать информацию об изделии на производство, в первую очередь геометрическую (устройство, форма, размеры, допустимые отклонения) и технологические (материал, способы обработки, шероховатость) данные.
Технический чертеж - графическое изображение с размерами, пояснениями и обозначениями, четко передающее концепцию или идею физического объекта или группы физических объектов и информацию о том, как объект функционирует или конструируется. Чтобы сделать чертежи более понятными, люди используют знакомые символы, перспективы, единицы измерения, системы обозначений, визуальные стили и рамка страницы. Вместе такие условности составляют визуальный язык и помогают сделать рисунок однозначным и относительно простым для понимания. Эта потребность в недвусмысленной коммуникации при подготовке функционального документа отличает технический чертеж от выразительного рисунка изобразительного искусства.
Чертеж состоит из содержательной и реквизитной части. Содержательная часть содержит информацию, представленную в графических изображениях, условных обозначениях, текстовых и числовых значениях, технических требованиях или таблицах, значениях атрибутов и ссылках на другие информационные объекты или нормативно-справочную информацию. Реквизитная часть, которая представлена в основной надписи, содержит информацию о самом чертеже, такую как наименование, обозначение, автор, дата и т.д.
Где заказать чертеж?
Мы хотим завоевать львиную долю рынка, предлагая высококачественные услуги изготовления чертежей по доступной цене и предоставляя персонализированные решения для каждого клиента.
- Наше предложение услуг позволит клиенту экономить время, сокращая время на проектирование и производство деталей.
- Мы предлагаем профессиональные решения в чертежах, обеспечивающие высокое качество и точность изготовления деталей.
- Наши специалисты помогут клиенту подобрать наиболее подходящие материалы и при желании производителя для изготовления деталей.
- Мы предлагаем клиентам персонализированные услуги, подстраиваясь под их потребности.
- Наши цены находятся на доступном уровне, что позволяет клиентам не переплачивать.
Чертёж связующее звено от идеи до производства.
Технические чертежи на заказ служат связующим звеном между дизайнерами, людьми, которые придумывают идеи, и производителями, людьми, которые воплощают эти идеи в жизнь.
Они разработаны как универсальный язык, понятный инженерам и подрядчикам. Его цель — точно и однозначно зафиксировать все геометрические особенности изделия или детали. Конечная цель инженерного технического чертежа — передать всю необходимую информацию, которая позволит производителю произвести этот компонент. При разработке чертежей деталей необходимо учитывать конструктивные особенности изделий, а также технологические процессы, которые будут проходить в процессе изготовления.
В чем разница:
- Соответствие, проверенное госприемкой: Гарантия безупречного соответствия ГОСТ, ESKD, ISO. Наши чертежи для БелАЗа и Жодинской ТЭЦ прошли строжайшую приемку — ваш проект получит тот же уровень надежности.
- Опыт, который предсказывает проблемы: 15 лет на производстве и 600+ проектов — это гарантия, что мы учтем все «подводные камни» и производственные допуски до запуска в цех.
- Результат — это скорость: Вы получаете не папку с файлами, а готовый актив, который немедленно передается в производство. Это исключает ошибки и сокращает цикл вывода продукта на рынок.
Наш процесс работы по разработке конструкторской документации включает следующие этапы:
- Получение исходной информации от вас: Вы передаете нам всю необходимую информацию о проекте и требованиях.
- Подготовка технического задания (ТЗ): При необходимости, мы помогаем вам сформировать подробное техническое задание, учитывая ваши пожелания и требования.
- Согласование бюджета и подписание договора: Мы обсуждаем и утверждаем бюджет на проект, а также заключаем договор, чтобы установить четкие и ясные рамки ответственности, сроки сотрудничества.
- Разработка конструкторской документации в соответствии с нормами ЕСКД.
- Приемка выполненных работ клиентом, проверка результатов. Если имеются замечания, вносятся соответствующие корректировки в конструкторскую документацию.
- Подписание актов выполненных работ.
В чем ценность грамотной конструкторской документации в виде технических чертежей?
- Технический чертеж определяет состав и устройство изделия и содержит необходимые данные для его разработки или изготовления, контроля, приемки, эксплуатации и ремонта.
- Конструкторская документация является немаловажным для промышленных предприятий ресурсом, использование которого создает экономические выгоды.
- Конструкторская документация может служить основой для новых технических решений и модернизации устройства.
- Конструкторская документация формируется не только из систематизированных в них знаний (решений, способов, вариантов изготовления и т.д.), но и всегда предполагает наличие tacit knowledge (неявные/неочевидные знания), которые зачастую могут являться ядром последующей модернизации. Эти знания, часто являются центром зарождения новых технических решений.
Рабочий чертеж детали это техническое задание в виде графического документа, которое предоставляет детальное описание того, как должна быть изготовлена деталь. В чертеже можно увидеть габариты детали, форму, размеры, конструктивные элементы и расстояния между ними, толщину стенок, типы и количество отверстий, размеры и формы элементов соединения, типы и размеры шлицов, указания на дополнительные элементы, а также другую необходимую информацию в технических требованиях.
Сборочные чертежи показывают, как различные детали соединяются друг с другом, идентифицируют эти детали по номерам позиций и содержат список деталей, часто называемый спецификацией. Сборочные чертежи являются одним из наиболее важных документов, который помогает собрать оборудование на предприятии.
Эскиз (WIP, Work In Progress) — это выполненный рисунок, набросок, эскиз, фотография или рендер от руки или в САПР, который обычно не задумывался как законченная работа. Это лишь общий замысел для определения направления дальнейшего движения. В общем, наброски — это быстрый способ записать идею для последующего использования. Концептуальное эскизирование представляет собой набор предварительных или более детально проработанных эскизов дающих представление о концепции и размерах проекта. Эскизирование не допускает детальной прорисовки, разработки инженерных решений и визуализации отдельных узлов. Его выкладывают, чтобы спросить совета либо показать процесс создания.
Разработка и оформление эскиза на прототип устройства - предварительный экспериментальный дизайн, который позволяет пользователям отчетливо представить его и / или как взаимодействовать с ним, в виде эскиза с габаритами под моделирование на 3d печать.
На сегодняшний день существует множество компаний, предлагающих рабочие чертежи для промышленности, производства, машиностроения и приборостроения. Однако, надлежащее качество таких чертежей остается высокой проблемой.
Инженерные проекты часто превышают бюджет и не реализуются в срок. По данным исследованиям, около 70% проектов машиностроения превышают бюджет, а 40% из них находятся в стадии просрочки.
Система 2D CAD — это просто электронная доска для черчения.
Частью решения является создание чертежей в САПР, его самая большая сила по сравнению с техническим чертежом на бумаге заключается в оперативном внесении изменений и создании модификаций, исполнений. В то время как в обычном техническом чертеже, нарисованном от руки, если обнаружена ошибка или требуется модификация, новый чертеж должен быть сделан с нуля или с бланк-чертежа, система 2D CAD позволяет изменить копию оригинала добавив нужные линии и обозначения, что значительно экономит время на разработку.
Технические чертежи 2D CAD обычно дополняют цифровые 3D файлы САПР, предоставляя дополнительную информацию, которую нелегко передать только по форме детали.
Сегодня можно спроектировать деталь на компьютере, а затем отправить цифровой файл с того же компьютера на механизм, который будет изготавливать деталь, и все это без технических чертежей.
Тем не менее, большинство важных производственных заданий — даже те, которые используют цифровые производственные технологии — по-прежнему требуют использования технического чертежа. Почему?
Во-первых, технические чертежи проверяют, что содержится в файле САПР, давая производителям уверенность в том, что они изготавливают именно то, что нужно. Идеальная корреляция между CAD и чертежом указывает на то, что в проекте нет ошибок. После того, как деталь будет готова, чертеж можно использовать в качестве справочного материала во время проверки.
Во-вторых, технические чертежи могут содержать много другой информации, не содержащейся в файле САПР. Информация, передаваемая через технические чертежи, может включать:
- Допуски для конкретных поверхностей.
- Требования к отделке поверхности для конкретных поверхностей.
- Требования к материалам для конкретных компонентов.
- В-третьих, технические чертежи могут выполнять юридическую функцию. Они являются частью заказа на поставку и, следовательно, частью контракта: если производитель не может поставить детали в соответствии с требованиями, заказчик может использовать технический чертеж в качестве доказательства того, что проект не был выполнен; с другой стороны, производитель защищен от ответственности, если он следует техническому чертежу. (Это не применяется, если файл САПР указан в качестве юридического документа поверх чертежа.)
Кроме того, производители часто предпочитают получать технический чертеж вместе с цифровым файлом, потому что они могут быстро оценить такие аспекты детали, как ее геометрия, конструктивные и технологические эллементы, размеры и потенциальная стоимость.
Какие можно купить стандарты исполнения чертежа?
Техническая документация создается в соответствии с Единой Системой Конструкторской Документации (ЕСКД) по ГОСТ и международным стандартам ISO, ASME, BS, DIN, JIS, GB на 100 иностранных языках. Технические чертежи — единственный международно признанный способ передачи инженерных инструкций; нет никакой двусмысленности, никакой путаницы и ничего, что потенциально могло бы поставить под угрозу успех проекта.
Мы предлагаем полный комплекс коммерческих услуг в области инженерных работ и консультаций по чертежам и имеем достаточно опыта в этой области, чтобы гарантировать своим клиентам наивысшее качество услуг. Если вам необходимо заказать технический чертеж для производственной работы, изготовления деталей – наша компания предоставлят помощь в проектировании. Наши навыки и опыт гарантируют качественно выполненный чертеж, спецификацию, сборочный чертеж и другую конструкторскую документацию, с использованием современных компьютерных программ.
Студия промышленного дизайна Павла Самуты предлагает следущие деловые услуги по техническим чертежам и конструкторской документации:
-
инженерный консалтинг и оптимизация конструкций – мероприятия, направленные на снижение массы, габаритов, материалоемкости изделия при сохранении основных характеристик;
-
консультации по технологии изготовления;
-
проверка комплектности, качества составления документации, переданной заказчиком;
-
актуализация старых чертежей, адаптация чертежа под требования ЕСКД;
-
оформление иностранных чертежей по ГОСТ, перевод систем измерения (дюймы в миллиметры например) и подбор аналогов материалов, стандартных изделий;
-
чертежи для патента, или иные графические материалы для представления сущности изобретения;
-
внесение изменений в электронные чертежи, корректировка чертежей форматов AutoCAD или «КОМПАС» возможна в режиме «срочной редакции» в течении 1-3 часов или при непосредственном присутствии Заказчика;
-
разработка технической иллюстрации, для инструкции по сборке изделия, научно-популярной статьи и т.д и других целей. Конвертирование трехмерных моделей в векторный формат. Основным преимуществом векторного рисунка является то, что такой рисунок может как угодно трансформироваться и масштабироваться без потери качества;
-
разработка проектной технической документации на твердотельные и корпусные изделия из металла;
-
доработка типовых и разработка новых изделий и оформление на них чертежей согласно тех. заданию клиента, подготовка чертежей и технической информации для запуска в производство;
-
оформление паспортов и руководств по эксплуатации на готовую продукцию;
-
внедрение, разработка конструкторской документации, на новые виды продукции;
-
разработка эскизного проекта;
-
работа с листовым телом - разработка чертежей для изготовления изделий в приборостроении ( например hardware module) из листового металла, листовые развертки для гибки, штамповки и резки станками с ЧПУ;
-
проведение технических расчетов, подбор комплектующих и материалов при разработке конструкций, анализ эффективности проектируемых конструкций;
-
изготовление чертежей по готовым деталям;
-
оцифровка чертежей (ВЕКТОРИЗАЦИЯ). Перевод бумажной и отсканированной конструкторской документации в электронный архив, внесение корректировок;
-
выполнение чертежей, схем, планов основываясь на существующий чертеж, фотографию, эскиз или готовое изделие.
Формат конструкторской документации
Формат чертежей в составе конструкторской документации в зависимости от пожеланий заказчика.
Какой процесс используется для создания инженерного чертежа детали?
Чертежи выполняются в оптимальных масштабах в среде CAD с учетом их сложности и насыщенности информацией в системе инженерного автоматизированного проектирования и черчения.
Какие программы используются для проектирования деталей?
Для проектирования деталей используются различные программы, такие как FreeCAD, Компас-3D, AutoCAD, Pro/ENGINEER, SolidWorks, CATIA, NX.
Можно ли получить консультацию по использованию и интерпретации чертежа детали?
Да, можно получить консультацию по применению, достоверности, безошибочности и интерпретации чертежа детали и другой конструкторской документации.
Какой формат используется для сохранения конструкторской документации, чертежей в САПР?
FreeCAD модуль Drawing Workbench — параметрическая САПР по лицензии свободного ПО GNU LGPL общего назначения с открытым исходным кодом. Создаваемые форматы файлов: STEP, IGES, BREP, DXF, DWG, OBJ, DAE, STL, PLY, IFC, SVG, VRML, GCODE, PDF. Экспорт в Компас 3D, AutoCAD, T-FLEX, SolidWorks, Autodesk Inventor и другие программы.
Какой уровень точности придаёт инженерный чертёж выполненный в САПР?
Инженерный чертёж в CAD позволяет достичь высокого уровня точности 1 мкм = 0,001 мм = 0,0001 см, что не всегда возможно сделать с помощью ручного рисунка.
Точность обработки на станке ЧПУ линейных размеров достигает — 10 мкм. по перпендикулярности к основанию — 8 мкм, по угловым размерам - 3 мин, шероховатость обработки до 0,16 мкм.
Конструкторская документация (КД) — графические и текстовые документы, которые в совокупности или в отдельности, определяют состав и устройство изделия и содержат необходимые данные для его разработки, изготовления, контроля, эксплуатации, ремонта и утилизации.
В каждом конкретном случае разрабатывается свой пакет документации, включающий в себя чертежи деталей, сборочные узлы, схемы оборудования и так далее.
Конструкторские графические документы виды включают:
-
Чертеж детали;
-
Сборочный чертеж (СБ);
-
Чертеж общего вида (ВО);
-
Теоретический чертеж (ТЧ);
-
Габаритный чертеж (ГЧ);
-
Электромонтажный чертеж (МЭ);
-
Монтажный чертеж (МЧ);
-
Упаковочный чертеж (УЧ);
-
Схема (по ГОСТ 2.701);
-
Электронная модель детали;
-
Электронная модель сборочной единицы (ЭСБ);
-
Электронная структура изделия.
Конструкторские текстовые документы виды:
-
Перечень элементов (ПЭ)
-
Пояснительная записка (ПЗ);
-
Таблица (ТБ);
-
Расчет (РР);
-
Инструкция (И);
-
Технические условия (ТУ);
-
Программа и методика испытаний (ПМ);
-
Эксплуатационные документы (по ГОСТ 2.601);
-
Ремонтные документы (по ГОСТ 2.602);
-
Спецификация;
-
Ведомость спецификаций (ВС);
-
Ведомость ссылочных документов (ВД);
-
Ведомость покупных изделий (ВП);
-
Ведомость разрешения применения покупных изделий (ВИ);
-
Ведомость держателей подлинников (ДП);
-
Ведомость технического предложения (ПТ);
- Ведомость эскизного проекта (ЭП);
- Ведомость технического проекта (ТП);
- Ведомость электронных документов (ВДЭ).
Документация выполняется в электронном виде, при этом должны соблюдаться требования ГОСТ 2.051. При обмене ЭД между организациями формат файлов и вид КД определяют в договоре (контракте) или иной форме соглашения.
При подготовке документации обеспечивается возможность снятия черно-белых копий документации без потери информации определяемой цветом, если присутствует цветовое выделение систем или обозначений.
Срок и стоимость выполнения разработки чертежей в составе конструкторской документации.
До начала выполенеия конструкторских работ заказчик выполняет предпроектную подготовку - сбор исходных данных на русском языке в обьеме достаточном для выполнения работ и согласовывает с Исполнителем. Чтобы узнать срок разработки конструкторской документации, необходимо потратить некоторое количество собственного времени и предоставить для расчета стоимости предварительное техническое задание с эскизами и текстовыми пояснениями на выполняемые работы.
Решение обеспечивает ритмичность и предсказуемость производственного цикла. Работа официальная, с полной защитой интеллектуальной собственности клиента по NDA.
-
Сроки: Расчет точных сроков разработки полного комплекта КД. Строгое соблюдение сроков для исключения простоя производства в ожидании документации.
-
Стоимость: Стоимость формируется прозрачно, исходя из ценности готового к производству решения и его роли в бизнес-процессе, а не почасовой ставки инженера.
Гарантийные обязательства выполненых конструкторских работ по КД.
- Гарантия на выполненые работы в полном обьеме и его соответсвие государственным и отраслевым стандартам РБ 12 месяцев с даты принятия результатов работ Заказчиком.
- Своевременное устранение выявленных недостатков оформления КД согласно стандартам.
- Исполнитель гарантирует, что при возникновении доработок конструкторской документации не предусмотренных техническим заданием, будут внесены с возмещением возникших затрат по дополнительному договору в течение гарантийного срока.
Требования к условиям защиты собственности и конфиденциальности согласно законов РБ.
- Исполнитель не имеет права без письменного разрешения Заказчика передавать конструкторскую документацию какой либо трейтей стороне, публиковать и размножать, либо использовать ее каким-либо другим способом, приносящим коммерческую выгоду.
- Стороны обязуются не публиковать, не разглашать и не использовать каким либо способом полученные ими при выполнении работ по договору финансовые и хозяйственные сведения, признанные конфиденциальными, без обоюдного письменного согласия.
Если требуется доработка конструкторской документации, чертежей в САПР деталей или появятся новые пожелания, это бесплатно?
Мы понимаем, что в большинстве случаев наши клиенты не могут сразу определить, как именно будет выглядеть их изделие, поэтому мы готовы предложить вам несколько эскизов технического решения и доработать один по вашему желанию.
На самом деле, новые пожелания могут стать прекрасной возможностью для увеличения функциональности и улучшения проекта. Как только они появятся — мы обсудим как и на каком этапе их лучше внедрить в ваш проект. Кто-то боится новых доработок и отказыва тся от них, а кто-то готов внести коррективы, чтобы получить желаемый результат. Ни одино ваше пожелание не останется незамеченным. Если вы хотите добавить новые элементы, но не знаете как это сделать, не стесняйтесь спрашивать — мы с удовольствием поможем.
Иногда, когда вы находитесь в середине гонки, пит-стоп кажется неправильным решением. Но часто это может быть единственный способ избежать задержек или, что еще хуже, провалов коммерческого продукта. Доработка чертежей деталей согласно тех. заданию клиента включена в оплату, подготовка чертежей и технической информации для запуска в производство не включенных в техническое задание и предварительно необговоренных платная, заключается приложение к договору.
Предоставляем послепродажное обслуживание (послепродажный сервис) чертежей.
Совокупность услуг, оказываемых после приобретения конструкторской документации в виде чертежей, на практике это бесплатное гарантийное востановление утерянных файлов, при последующей послегарантийной доработке чертежа вы платите только за обьем доработки, а не за весь файл, также предоставление совместимости с другими системами стандарта и программными продуктами САПР, перевод чертежа на другой язык.
У вас есть идеи?
Не знаете, как изготовить опытный образец и какая техническая документация для этого нужна?
Какие технологии оптимально использовать для лучшего соотношения качество-себестоимость?
Для обсуждения именно вашего варианта рабочего чертежа, вы можете связаться и поддерживать со мной связь с помощью электронной почты. И мы детально обсудим ваш проект.
Тип услуги: производственная, профессиональная.
По специфике содержания: Создающая новые потребительные стоимости (новые изделия).
Классификация услуги ОКРБ 007-2012: 74.90.19.200 Услуги в области инжиниринга.
Сопутствующие услуги:
РАЗРАБОТКА 2D ЭСКИЗОВ И 3D МОДЕЛЕЙ ДЛЯ СТАНКА С ЧПУ И 3D ПРИНТЕРА.


