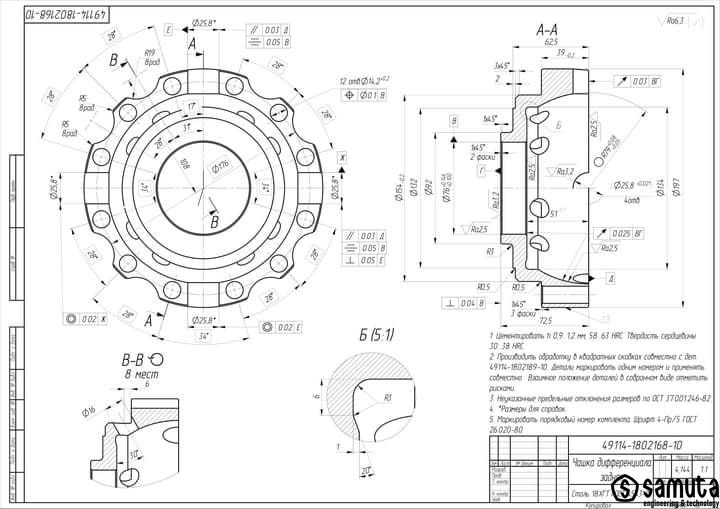
Технический чертеж детали

хит
Артикул: SPA27062022BY
В наличии: 1
цифровой товар
Технический чертеж детали
Обозначение формата
А4 210х297 мм
Формат файла чертежа
Portable Document Format (*.pdf)
Тип чертежа
чертеж детали (detail drawing)
Тип услуги:
производственная, профессиональная.
По специфике содержания:
Создающая новые потребительные стоимости (новые изделия).
Классификация услуги ОКРБ 007-2012:
74.90.19.200 Услуги в области инжиниринга.
Гарантии согласно договору
12 месяцев
Срок выполнения от
3 дней
Окончательная цена зависит от сложности, уточняется по факту
150 BYN
Квалификация исполнителя работ
высшее техническое инженер механик образование
Дополнительные услуги:
консультации по вопросам производства детали и его подбор
Единица измерения
шт

Если вы хотите получить качественный, надежный, современный, соответствующий современным стандартам рабочий чертёж детали, свяжитесь со студией промдизайна сегодня.


Рабочий чертеж детали для производства


Технический рабочий чертеж - графическое изображение с размерами, пояснениями и обозначениями, четко передающее концепцию или идею физического объекта и информацию о том, как объект функционирует и изготавливается. Рабочие чертежи основаны на ортогональной проекции и многих других текстовых (технические требования) и графических методах (разбиение на разрезы, нанесение размеров, допуски и т. д.) для передачи проектной информации в производство.

Tekhnicheskii chertezh - graficheskoe izobrazhenie s razmerami, poiasneniiami i oboznacheniiami

Технические чертежи используются для того, чтобы сообщать о промышленном дизайне другим (клиенту, коллегам, начальнику…) выработанные проектно-конструкторские решения и передавать информацию о конструкции и производстве (производителю).

хит
Тип чертежа
Тип чертежа
Дополнительные услуги:
Дополнительные услуги:
Формат файла чертежа
Выберите параметр
Формат файла чертежа
320 BYN / шт
350 BYN
320 BYN / шт
350 BYN

Если вы хотите получить качественный, надежный, современный, соответствующий современным стандартам рабочий чертёж детали, свяжитесь со студией промдизайна сегодня.


Рабочий чертеж детали для производства


Технический рабочий чертеж - графическое изображение с размерами, пояснениями и обозначениями, четко передающее концепцию или идею физического объекта и информацию о том, как объект функционирует и изготавливается. Рабочие чертежи основаны на ортогональной проекции и многих других текстовых (технические требования) и графических методах (разбиение на разрезы, нанесение размеров, допуски и т. д.) для передачи проектной информации в производство.

Tekhnicheskii chertezh - graficheskoe izobrazhenie s razmerami, poiasneniiami i oboznacheniiami

Технические чертежи используются для того, чтобы сообщать о промышленном дизайне другим (клиенту, коллегам, начальнику…) выработанные проектно-конструкторские решения и передавать информацию о конструкции и производстве (производителю).

  • Описание

    Чертеж детали — документ, содержащий изображение детали и другие данные, необходимые для ее изготовления и контроля. Технические рабочие чертежи для деталей – неотъемлемый элемент производства. Они помогают соответствовать высоким стандартам качества и обеспечивают большую долю успеха любого проекта.

    Chertezh detali — dokument, soderzhashchii izobrazhenie detali i drugie dannye, neobkhodimye dlia ee

    Деталь изделиея в машиностроении называется предмет производства из однородного по структуре и свойствам материала, подлежащий изготовлению без применения сборочных операций, который не может быть разобран на другие, более простые и мелкие.


    Чертеж детали является неотъемлемой частью производства любого изделия. Он представляет собой подробное описание детали и представляет собой ключевую роль в процессе производства. Чертеж детали помогает производителям правильно производить изделие, что позволяет им достичь правильного результата.


    Чертеж детали может быть использован для планирования и организации производства детали. Он помогает определить необходимые материалы, инструменты и оборудование, а также определить процессы производства. Чертеж детали помогает производителям проверить правильность изготовления детали и избежать дорогостоящих ошибок.


    Чертеж детали также может быть использован для проектирования и улучшения изделия. Он позволяет производителям видеть изделие в различных пространствах, что помогает им понять, какие части нужно изменить или добавить для улучшения дизайна изделия.

    Чертеж детали имеет практическую ценность для производителей изделий. Он помогает производителям планировать и организовывать производство, проверять правильность изготовления детали и проектировать и улучшать изделие.


    Какие бывают детали?

    Так например, в зависимости от формы и способов изготовления различают следующие группы деталей:

    1. детали, ограниченные преимущественно плоскостями;
    2. детали из листового материала, полученные вырубкой, гибкой, штамповкой и т.п.;
    3. детали, изготовляемые из профильного проката, труб и т.п.;
    4. детали, ограниченные преимущественно поверхностями вращения (валы, втулки, штуцеры и т.п.);
    5. детали, получаемые горячей объемной штамповкой;
    6. литые детали;
    7. зубчатые колеса и зубчатые рейки;
    8. пружины различных типов;
    9. детали со сложным плоским контуром;
    10. специальные детали;
    11. пластмассовые и армированные изделия.

    Рабочий чертеж детали – это подробный план производства, который включает в себя размеры, форму, материал и другие требования для создания детали. Он также может содержать информацию о том, какие операции необходимо выполнить, чтобы создать деталь. Это очень важно, чтобы соответствовать высоким стандартам качества.


    При разработке рабочих чертежей предусматривается:


    1. рационально ограниченная номенклатура марок и сортаментов материалов и покрытий, а также размеров, предельных отклонений, резьб, шлицов и других конструктивных элементов;
    2. необходимая степень взаимозаменяемости, наивыгоднейшие способы изготовления и ремонта изделия, а также максимальное удобство его в эксплуатации.

    Дополнительные виды чертежей.


    В практике также используются следущие дополнительные типы чертежа детали:

    1. Бланк-чертеж - заготовки конструкторских документов, которые используются после внесения в них недостающих размеров и других необходимых данных.
    2. Чертеж совместно обрабатываемых изделий - если отдельные элементы изделия необходимо до сборки обработать совместно, технические требования, относящиеся к поверхностям, обрабатываемым совместно, помещают в том чертеже, где изображены все совместно обрабатываемые изделия. Указания о совместной обработке помещают на всех чертежах совместно обрабатываемых изделий.
    3. Чертеж изделия с дополнительной обработкой или переделкой.
    4. Чертеж изделия с надписями, знаками, фотоснимками.
    5. Чертеж деталей, изготовляемых в различных производственно-технологических вариантах.
    6. Ремонтный чертеж ГОСТ 2.604.
    Преимущества заказа чертежей у нас.

    Preimushchestva zakaza chertezhei u nas.

    Закажите чертежи у нас и получите высококачественный чертеж детали, а также профессиональную клиентскую поддержку. Наши специалисты проконсультируют вас и помогут сделать правильный выбор, чтобы вы могли долго использовать чертежи под свои проекты.


    1. Наше предложение поможет решить проблемы клиента, так как мы предлагаем высококачественные чертежи, соответствующие всем требованиям.
    2. Наши специалисты проконсультируют клиента и помогут выбрать наиболее оптимальное решение.
    3. Мы предоставляем профессиональную клиентскую поддержку, чтобы решить любые вопросы, связанные с чертежами.
    4. Мы гарантируем быструю доставку чертежей на указанный адрес.
    5. Мы предлагаем разумные цены, чтобы обеспечить максимальное удовлетворение нужд клиента.
    6. Мы используем современные технологии САПР, чтобы улучшить точность, скорость и качество наших чертежей.
    7. Мы имеем богатый опыт работы с различными типами чертежей, что позволяет нам сдавать работу в срок.
    8. Наши сотрудники — опытные специалисты, которые удовлетворят все требования клиентов.
    9. Мы уважаем конфиденциальность, что означает, что вся информация, связанная с чертежами, надёжно сохраняется.

    Сегодня можно спроектировать деталь на компьютере, а затем отправить цифровой файл с того же компьютера на механизм, который будет изготавливать деталь, и все это без технических чертежей.


    Тем не менее, большинство важных производственных заданий — даже те, которые используют цифровые производственные технологии — по-прежнему требуют использования технического чертежа. Почему?

    Tekhnicheskie chertezhi proveriaiut, chto soderzhitsia v faile SAPR

    Во-первых, технические чертежи проверяют, что содержится в файле САПР, давая производителям уверенность в том, что они изготавливают именно то, что нужно. Идеальная корреляция между CAD и чертежом указывает на то, что в проекте нет ошибок. После того, как деталь будет готова, чертеж можно использовать в качестве справочного материала во время проверки.

    Tekhnicheskie chertezhi mogut soderzhat mnogo drugoi informatcii, ne soderzhashcheisia v faile SAPR

    Во-вторых, технические чертежи могут содержать много другой информации, не содержащейся в файле САПР. Информация, передаваемая через технические чертежи, может включать:

    • Допуски для конкретных поверхностей.
    • Требования к отделке поверхности для конкретных поверхностей.
    • Требования к материалам для конкретных компонентов.

    В-третьих, технические чертежи могут выполнять юридическую функцию. Они являются частью заказа на поставку и, следовательно, частью контракта: если производитель не может поставить детали в соответствии с требованиями, заказчик может использовать технический чертеж в качестве доказательства того, что проект не был выполнен; с другой стороны, производитель защищен от ответственности, если он следует техническому чертежу. (Это не применяется, если файл САПР указан в качестве юридического документа поверх чертежа.)

    Кроме того, производители часто предпочитают получать технический чертеж вместе с цифровым файлом, потому что они могут быстро оценить такие аспекты детали, как ее геометрия, конструктивные и технологические эллементы, размеры и потенциальная стоимость.


    Детальный чертеж — это многовидовый чертеж с размерами одной детали, описывающий форму, размер, материал и отделку детали достаточно подробно для того, чтобы деталь могла быть изготовлена на основе только чертежа.


    И, наконец, технические чертежи — единственный международно признанный способ передачи инженерных инструкций; нет никакой двусмысленности, никакой путаницы и ничего, что потенциально могло бы поставить под угрозу успех проекта.


    Дополнительные виды рабочих чертежей детали по количеству изображенных исполнений.
    • Групповой чертеж деталей представляет собой сводный чертеж, содержащий данные для изготовления и контроля ряда однотипных по форме невзаимозаменяемых деталей, отличающихся размерами, материалом, покрытием, окраской или другими данными, причем каждая деталь имеет свое условное обозначение но одинаковое наименование.
    • Групповой чертеж для деталей, являющихся зеркальным отражением. Чертеж с зеркальным отражением - охватывающим два исполнения, изображение одного из которых соответствует зеркальному отражению другого. Изображение второго исполнения допускается давать упрощенным и в уменьшенном масштабе с указанием масштаба

    Чертеж можно изготовить самому, если у вас есть достаточный опыт и знания в области конструирования, а также понимание материалов и их свойств. Однако профессиональный инженер-конструктор обладает большим опытом и знаниями, которые позволят ему создать более эффективный и надежный чертеж. Он может также предложить более конкурентные и практичные решения, которые могут помочь вам сэкономить деньги и время.

    Можно ли заказать чертежи деталей в электронном и бумажном формате?
    ✓ Да, вы можете заказать чертежи деталей в электронном и/или бумажном формате. Мы можем предоставить вам файлы чертежей в различных форматах и распечатать чертежи на бумаге, если это требуется.

    Как долго хранится информация о моих чертежах деталей?
    ✓ Храним информацию о ваших чертежах деталей в течение гарантийного срока один год и после его окончания до пятидесяти лет, который зависит от договоренностей с вами. После окончания срока хранения мы удаляем информацию согласно правилам и политике компании.


    Kak dolgo obychno zanimaet razrabotka chertezha detali?


    Как долго обычно занимает разработка чертежа детали?
    ✓ Время разработки чертежа детали зависит от сложности проекта, осуществимости и требований заказчика. Наши специалисты учтут все факторы и согласуют с вами сроки разработки при предоставление задания в виде фотографий или рисунков с пояснительной тестовой частью и любую другую дополнительную информацию, которая может понадобиться для выполнения проекта.


    Какая информация нужна для заказа индивидуального чертежа детали?
    ✓ Для заказа индивидуального чертежа детали необходима информация о желаемых размерах, форме, материале, технических требованиях и иных, а также предпочтительном формате файла.


    Какие дополнительные услуги вы предоставляете связанные с чертежами деталей?
    ✓ Предоставляем дополнительные услуги, такие как консультации по разработке чертежей, расчеты прочности и устойчивости деталей, создание 3D-моделей и визуализаций, а также изготовление прототипов.

    Какие способы оплаты вы принимаете для заказа чертежей деталей?
    ✓ Принимаем различные возможности оплаты, включая банковский безналичный расчет, электронные платежные системы и другие поддерживаем способы, удобные для клиентов.

    Как я могу связаться с вами для заказа чертежей деталей?
    ✓ Вы можете связаться с нами по телефону, месенджеру, отправить запрос через форму на нашем сайте или написать нам на электронную почту. Наша команда ответит на все ваши вопросы и обсудит детали заказа чертежей деталей.


    Если вам необходимо заказать технический чертеж для производственной работы, изготовления деталей – наша компания предоставлят помощь в проектировании. Если вы хотите, чтобы ваш проект был качественным, надежным, современным, соответствующим современным стандартам, – обращайтесь к нам!

    Сопутствующие услуги:

    РАЗРАБОТКА 2D ЭСКИЗОВ И 3D МОДЕЛЕЙ ДЛЯ СТАНКА С ЧПУ И 3D ПРИНТЕРА.


    Дополнительная информация. Что почитать:

    СОЗДАНИЕ ЧЕРТЕЖА В КОМПАС 3D ПО МОДЕЛИ ДЕТАЛИ

  • Документы

    Cooperation proposal. Industrial design studio. EN.pdf
    349.8 кб, 22 февраля в 10:13
    Predlozhenie o sotrudnichestve. Studija promdizajna. RU.pdf
    360.2 кб, 22 февраля в 10:12
    Chertezh detali CTG.90.00.009 - Vtulka M10.pdf
    74.9 кб, 22 февраля в 09:34
  • Характеристики

    Обозначение формата
    А4 210х297 мм
    Формат файла чертежа
    Portable Document Format (*.pdf)
    Тип чертежа
    чертеж детали (detail drawing)
    Тип услуги:
    производственная, профессиональная.
    По специфике содержания:
    Создающая новые потребительные стоимости (новые изделия).
    Классификация услуги ОКРБ 007-2012:
    74.90.19.200 Услуги в области инжиниринга.
    Гарантии согласно договору
    12 месяцев
    Срок выполнения от
    3 дней
    Окончательная цена зависит от сложности, уточняется по факту
    150 BYN
    Квалификация исполнителя работ
    высшее техническое инженер механик образование
    Дополнительные услуги:
    консультации по вопросам производства детали и его подбор
    Единица измерения
    шт
  • Комментарии 20

    Добавить комментарий
    Саша Шляпников
    Саша Шляпников
    На каждое ли изделие в сборке выполняют отдельный чертеж?
    Комментировать
    Инженер конструктор
    Инженер конструктор
    На каждое изделие выполняют отдельный чертеж, но есть исключения.

    Исключение составляет:
    1. Группа изделий, обладающих общими конструктивными признаками, на которые выполняют групповой чертеж по ГОСТ 2.113 .
    Групповой чертеж деталей представляет собой сводный чертеж, содержащий данные для изготовления и контроля ряда однотипных по форме невзаимозаменяемых деталей, отличающихся размерами, материалом, покрытием, окраской или другими данными, причем каждая деталь имеет свое условное обозначение но одинаковое наименование.

    2. Наглядное изображение двух исполнений детали, одно из которых соответствует зеркальному отражению другого (основного)

    Указания на групповых чертежах для деталей, являющихся зеркальным отражением одна другой (записывают над изображением и подчеркивают)

    Над главным изображением может быть дано указание .. — изображено,...—01—зеркальное отражение. Наличие такой надписи будет указывать на то, что по чертежу необходимо изготовить согласно указанию в наряде на работу определенное количество деталей, изображенных на чертеже — основное исполнение, и других, для которых эти изображения будут выглядеть так, как мы увидим их в зеркале. Несоблюдение этого указания приведет к браку или задержке в производстве, так как придется дополнительно заказывать отраженные детали.

    Если вы не знаете, как правильно читать чертежи, или не понимаете, что на них изображено, то свяжитесь с нами и мы с удовольствием поможем вам разобраться в этом вопросе.

    Спасибо за ваш комментарий Александр, он вносит новые аргументы и развивает тему дальше.
    539zS5eHPUc.jpg
    2.png
    Илия Шахбудинов
    Илия Шахбудинов
    Какие размеры называются справочными? Как их обозначают на чертеже?
    Комментировать
    Инженер конструктор
    Инженер конструктор
    Размер справочный - не подлежащий выполнению по данному чертежу и указываемые для большего удобства пользования чертежом, называются справочными. Справочные размеры на чертеже отмечают знаком ”*”, а в технических требованиях записывают: “* Размеры для справок". К справочным относят один из размеров замкнутой размерной цепи и размеры, перенесенные с чертежей изделий-заготовок и др.

    Спасибо вам за комментарий! Ваши вопросы помогают разъяснить и уточнить тему
    Юрий Замышляев
    Юрий Замышляев
    В каких единицах выражают линейные или радиальны размеры на машиностроительных чертежах?
    Комментировать
    Инженер конструктор
    Инженер конструктор
    Размеры линейные 45, ⃞90, ◠570 или радиальные (Ø112 — диаметр отверстия / вала , круг с перечеркнутой линией под углом) с допусками буквенно цифровыми (сочетанием буквы основного отклонения и номера квалитета например: Ø42H12 для отверстия) (ГОСТ 2.307-68), а также числовыми значениями (например: 85+-0,1) на машиностроительных чертежах указывают в миллиметрах без обозначения единицы измерения. Для размерных чисел применять простые дроби не допускается, за исключением размеров в дюймах. Также могут дополнительно указываться в размерах тип резьбы (упорная S48х10, метрическая M42х3, трубная цилиндрическая G1⅜ ″, трапецеидальная Tr30x6 и др) , min и max размера, количества пазов, фасок, отверстий на детали одинаковых или наличие сферы «Сфера Ø 48». Простые плоские детали изображаются в виде одной проекции. В этих случаях ее толщину обозначают буквой S и надпись на чертеже выполняется по типу "S10" и располагается на полке линии-выноски. Длину предмета указывают буквой L25.

    Большое спасибо за ваш комментарий Юрий! Он добавляет ценность и актуальность к обсуждаемой теме.
    4026-zolotnik-ddea.jpg
    Генадий Волк
    Генадий Волк
    Нужны ли все размеры на рабочих чертежах детали?
    Комментировать
    Инженер конструктор
    Инженер конструктор
    Размеры наносятся всех элементов детали (параметры формы) и их взаимное положение (параметры положения) в соответствии с ГОСТ 2.307-68. Недостаточность размеров или лишние размеры, механическое равномерное разбрасывание размеров по отдельным изображениям, входящим в чертеж, могут вообще сделать чертеж непригодным для производства, а в частности, это приводит к ошибкам и затруднению его чтения.

    Спасибо за ваш комментарий Геннадий! Ваши мысли и опыт помогают обогатить информацию.
    Спираль цилиндрическая.jpg
    Сергей Грызлов
    Сергей Грызлов
    Чем сборочный чертеж отличается от чертежа детали?
    Комментировать
    Инженер конструктор
    Инженер конструктор
    Различие между сборочным чертежом и чертежем детали заключается в том, что сборочный чертеж содержит в себе только общие данные по сборке, а детализированные данные изготовления каждой детали отдельно содержатся в чертеже детали. Сборочный чертёж - это чертеж, который показывает как собирается изделие из деталей
    Сборочный чертёж - это чертеж изделия, на котором показаны все детали и узлы, а также их взаимное расположение.
    На сборочном чертеже все детали изображены в виде геометрических тел, которые соединяются между собой в процессе сборки.

    Спасибо за комментарий вопрос по теме Сергей, ваше мнение является ценным и помогает нам повысить качество контента
    Vodyanoy nasos.jpg

Чертеж детали — документ, содержащий изображение детали и другие данные, необходимые для ее изготовления и контроля. Технические рабочие чертежи для деталей – неотъемлемый элемент производства. Они помогают соответствовать высоким стандартам качества и обеспечивают большую долю успеха любого проекта.

Chertezh detali — dokument, soderzhashchii izobrazhenie detali i drugie dannye, neobkhodimye dlia ee

Деталь изделиея в машиностроении называется предмет производства из однородного по структуре и свойствам материала, подлежащий изготовлению без применения сборочных операций, который не может быть разобран на другие, более простые и мелкие.


Чертеж детали является неотъемлемой частью производства любого изделия. Он представляет собой подробное описание детали и представляет собой ключевую роль в процессе производства. Чертеж детали помогает производителям правильно производить изделие, что позволяет им достичь правильного результата.


Чертеж детали может быть использован для планирования и организации производства детали. Он помогает определить необходимые материалы, инструменты и оборудование, а также определить процессы производства. Чертеж детали помогает производителям проверить правильность изготовления детали и избежать дорогостоящих ошибок.


Чертеж детали также может быть использован для проектирования и улучшения изделия. Он позволяет производителям видеть изделие в различных пространствах, что помогает им понять, какие части нужно изменить или добавить для улучшения дизайна изделия.

Чертеж детали имеет практическую ценность для производителей изделий. Он помогает производителям планировать и организовывать производство, проверять правильность изготовления детали и проектировать и улучшать изделие.


Какие бывают детали?

Так например, в зависимости от формы и способов изготовления различают следующие группы деталей:

  1. детали, ограниченные преимущественно плоскостями;
  2. детали из листового материала, полученные вырубкой, гибкой, штамповкой и т.п.;
  3. детали, изготовляемые из профильного проката, труб и т.п.;
  4. детали, ограниченные преимущественно поверхностями вращения (валы, втулки, штуцеры и т.п.);
  5. детали, получаемые горячей объемной штамповкой;
  6. литые детали;
  7. зубчатые колеса и зубчатые рейки;
  8. пружины различных типов;
  9. детали со сложным плоским контуром;
  10. специальные детали;
  11. пластмассовые и армированные изделия.

Рабочий чертеж детали – это подробный план производства, который включает в себя размеры, форму, материал и другие требования для создания детали. Он также может содержать информацию о том, какие операции необходимо выполнить, чтобы создать деталь. Это очень важно, чтобы соответствовать высоким стандартам качества.


При разработке рабочих чертежей предусматривается:


  1. рационально ограниченная номенклатура марок и сортаментов материалов и покрытий, а также размеров, предельных отклонений, резьб, шлицов и других конструктивных элементов;
  2. необходимая степень взаимозаменяемости, наивыгоднейшие способы изготовления и ремонта изделия, а также максимальное удобство его в эксплуатации.

Дополнительные виды чертежей.


В практике также используются следущие дополнительные типы чертежа детали:

  1. Бланк-чертеж - заготовки конструкторских документов, которые используются после внесения в них недостающих размеров и других необходимых данных.
  2. Чертеж совместно обрабатываемых изделий - если отдельные элементы изделия необходимо до сборки обработать совместно, технические требования, относящиеся к поверхностям, обрабатываемым совместно, помещают в том чертеже, где изображены все совместно обрабатываемые изделия. Указания о совместной обработке помещают на всех чертежах совместно обрабатываемых изделий.
  3. Чертеж изделия с дополнительной обработкой или переделкой.
  4. Чертеж изделия с надписями, знаками, фотоснимками.
  5. Чертеж деталей, изготовляемых в различных производственно-технологических вариантах.
  6. Ремонтный чертеж ГОСТ 2.604.
Преимущества заказа чертежей у нас.

Preimushchestva zakaza chertezhei u nas.

Закажите чертежи у нас и получите высококачественный чертеж детали, а также профессиональную клиентскую поддержку. Наши специалисты проконсультируют вас и помогут сделать правильный выбор, чтобы вы могли долго использовать чертежи под свои проекты.


  1. Наше предложение поможет решить проблемы клиента, так как мы предлагаем высококачественные чертежи, соответствующие всем требованиям.
  2. Наши специалисты проконсультируют клиента и помогут выбрать наиболее оптимальное решение.
  3. Мы предоставляем профессиональную клиентскую поддержку, чтобы решить любые вопросы, связанные с чертежами.
  4. Мы гарантируем быструю доставку чертежей на указанный адрес.
  5. Мы предлагаем разумные цены, чтобы обеспечить максимальное удовлетворение нужд клиента.
  6. Мы используем современные технологии САПР, чтобы улучшить точность, скорость и качество наших чертежей.
  7. Мы имеем богатый опыт работы с различными типами чертежей, что позволяет нам сдавать работу в срок.
  8. Наши сотрудники — опытные специалисты, которые удовлетворят все требования клиентов.
  9. Мы уважаем конфиденциальность, что означает, что вся информация, связанная с чертежами, надёжно сохраняется.

Сегодня можно спроектировать деталь на компьютере, а затем отправить цифровой файл с того же компьютера на механизм, который будет изготавливать деталь, и все это без технических чертежей.


Тем не менее, большинство важных производственных заданий — даже те, которые используют цифровые производственные технологии — по-прежнему требуют использования технического чертежа. Почему?

Tekhnicheskie chertezhi proveriaiut, chto soderzhitsia v faile SAPR

Во-первых, технические чертежи проверяют, что содержится в файле САПР, давая производителям уверенность в том, что они изготавливают именно то, что нужно. Идеальная корреляция между CAD и чертежом указывает на то, что в проекте нет ошибок. После того, как деталь будет готова, чертеж можно использовать в качестве справочного материала во время проверки.

Tekhnicheskie chertezhi mogut soderzhat mnogo drugoi informatcii, ne soderzhashcheisia v faile SAPR

Во-вторых, технические чертежи могут содержать много другой информации, не содержащейся в файле САПР. Информация, передаваемая через технические чертежи, может включать:

  • Допуски для конкретных поверхностей.
  • Требования к отделке поверхности для конкретных поверхностей.
  • Требования к материалам для конкретных компонентов.

В-третьих, технические чертежи могут выполнять юридическую функцию. Они являются частью заказа на поставку и, следовательно, частью контракта: если производитель не может поставить детали в соответствии с требованиями, заказчик может использовать технический чертеж в качестве доказательства того, что проект не был выполнен; с другой стороны, производитель защищен от ответственности, если он следует техническому чертежу. (Это не применяется, если файл САПР указан в качестве юридического документа поверх чертежа.)

Кроме того, производители часто предпочитают получать технический чертеж вместе с цифровым файлом, потому что они могут быстро оценить такие аспекты детали, как ее геометрия, конструктивные и технологические эллементы, размеры и потенциальная стоимость.


Детальный чертеж — это многовидовый чертеж с размерами одной детали, описывающий форму, размер, материал и отделку детали достаточно подробно для того, чтобы деталь могла быть изготовлена на основе только чертежа.


И, наконец, технические чертежи — единственный международно признанный способ передачи инженерных инструкций; нет никакой двусмысленности, никакой путаницы и ничего, что потенциально могло бы поставить под угрозу успех проекта.


Дополнительные виды рабочих чертежей детали по количеству изображенных исполнений.
  • Групповой чертеж деталей представляет собой сводный чертеж, содержащий данные для изготовления и контроля ряда однотипных по форме невзаимозаменяемых деталей, отличающихся размерами, материалом, покрытием, окраской или другими данными, причем каждая деталь имеет свое условное обозначение но одинаковое наименование.
  • Групповой чертеж для деталей, являющихся зеркальным отражением. Чертеж с зеркальным отражением - охватывающим два исполнения, изображение одного из которых соответствует зеркальному отражению другого. Изображение второго исполнения допускается давать упрощенным и в уменьшенном масштабе с указанием масштаба

Чертеж можно изготовить самому, если у вас есть достаточный опыт и знания в области конструирования, а также понимание материалов и их свойств. Однако профессиональный инженер-конструктор обладает большим опытом и знаниями, которые позволят ему создать более эффективный и надежный чертеж. Он может также предложить более конкурентные и практичные решения, которые могут помочь вам сэкономить деньги и время.

Можно ли заказать чертежи деталей в электронном и бумажном формате?
✓ Да, вы можете заказать чертежи деталей в электронном и/или бумажном формате. Мы можем предоставить вам файлы чертежей в различных форматах и распечатать чертежи на бумаге, если это требуется.

Как долго хранится информация о моих чертежах деталей?
✓ Храним информацию о ваших чертежах деталей в течение гарантийного срока один год и после его окончания до пятидесяти лет, который зависит от договоренностей с вами. После окончания срока хранения мы удаляем информацию согласно правилам и политике компании.


Kak dolgo obychno zanimaet razrabotka chertezha detali?


Как долго обычно занимает разработка чертежа детали?
✓ Время разработки чертежа детали зависит от сложности проекта, осуществимости и требований заказчика. Наши специалисты учтут все факторы и согласуют с вами сроки разработки при предоставление задания в виде фотографий или рисунков с пояснительной тестовой частью и любую другую дополнительную информацию, которая может понадобиться для выполнения проекта.


Какая информация нужна для заказа индивидуального чертежа детали?
✓ Для заказа индивидуального чертежа детали необходима информация о желаемых размерах, форме, материале, технических требованиях и иных, а также предпочтительном формате файла.


Какие дополнительные услуги вы предоставляете связанные с чертежами деталей?
✓ Предоставляем дополнительные услуги, такие как консультации по разработке чертежей, расчеты прочности и устойчивости деталей, создание 3D-моделей и визуализаций, а также изготовление прототипов.

Какие способы оплаты вы принимаете для заказа чертежей деталей?
✓ Принимаем различные возможности оплаты, включая банковский безналичный расчет, электронные платежные системы и другие поддерживаем способы, удобные для клиентов.

Как я могу связаться с вами для заказа чертежей деталей?
✓ Вы можете связаться с нами по телефону, месенджеру, отправить запрос через форму на нашем сайте или написать нам на электронную почту. Наша команда ответит на все ваши вопросы и обсудит детали заказа чертежей деталей.


Если вам необходимо заказать технический чертеж для производственной работы, изготовления деталей – наша компания предоставлят помощь в проектировании. Если вы хотите, чтобы ваш проект был качественным, надежным, современным, соответствующим современным стандартам, – обращайтесь к нам!

Сопутствующие услуги:

РАЗРАБОТКА 2D ЭСКИЗОВ И 3D МОДЕЛЕЙ ДЛЯ СТАНКА С ЧПУ И 3D ПРИНТЕРА.


Дополнительная информация. Что почитать:

СОЗДАНИЕ ЧЕРТЕЖА В КОМПАС 3D ПО МОДЕЛИ ДЕТАЛИ

Cooperation proposal. Industrial design studio. EN.pdf
349.8 кб, 22 февраля в 10:13
Predlozhenie o sotrudnichestve. Studija promdizajna. RU.pdf
360.2 кб, 22 февраля в 10:12
Chertezh detali CTG.90.00.009 - Vtulka M10.pdf
74.9 кб, 22 февраля в 09:34
Обозначение формата
А4 210х297 мм
Формат файла чертежа
Portable Document Format (*.pdf)
Тип чертежа
чертеж детали (detail drawing)
Тип услуги:
производственная, профессиональная.
По специфике содержания:
Создающая новые потребительные стоимости (новые изделия).
Классификация услуги ОКРБ 007-2012:
74.90.19.200 Услуги в области инжиниринга.
Гарантии согласно договору
12 месяцев
Срок выполнения от
3 дней
Окончательная цена зависит от сложности, уточняется по факту
150 BYN
Квалификация исполнителя работ
высшее техническое инженер механик образование
Дополнительные услуги:
консультации по вопросам производства детали и его подбор
Единица измерения
шт

Удалить товар

Вы точно хотите удалить выбранный товар? Отменить данное действие будет невозможно.

С этим товаром покупают

Удалить товар

Вы точно хотите удалить выбранный товар? Отменить данное действие будет невозможно.